Projetos em 8 bits
Publicarei aqui meus projetos em programação em microcontroladores.
Páginas
Principal
Geral
Conceitos
Arquivamento
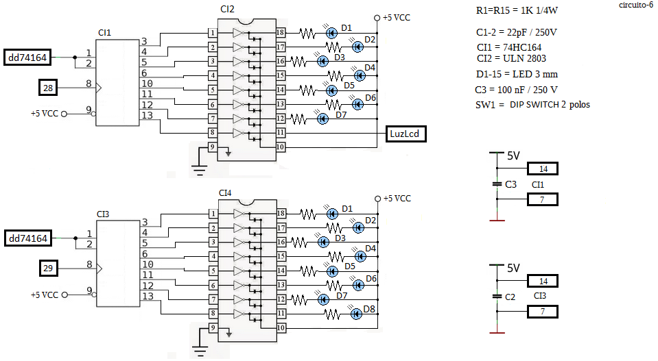
Esquema elétrico V1.0
Assembly
HW
Gravação
Bibliografia
Método ágil
Femto OS
Esquema elétrico V1.0
.
.
Nenhum comentário:
Postar um comentário
Página inicial
Assinar:
Comentários (Atom)
Nenhum comentário:
Postar um comentário